Altinex MT302-201
4RU 20 Slot Digital Multitasker Enclosure w/ RS-232, Ethernet
- Device: 20 Slot Digital Multitasker Enclosure
- Connectors: RS-232, Ethernet, Input Power
- Compatibility: All Digital Mulitasker Cards
- Communication: RS-232
-Timothy J.
Description
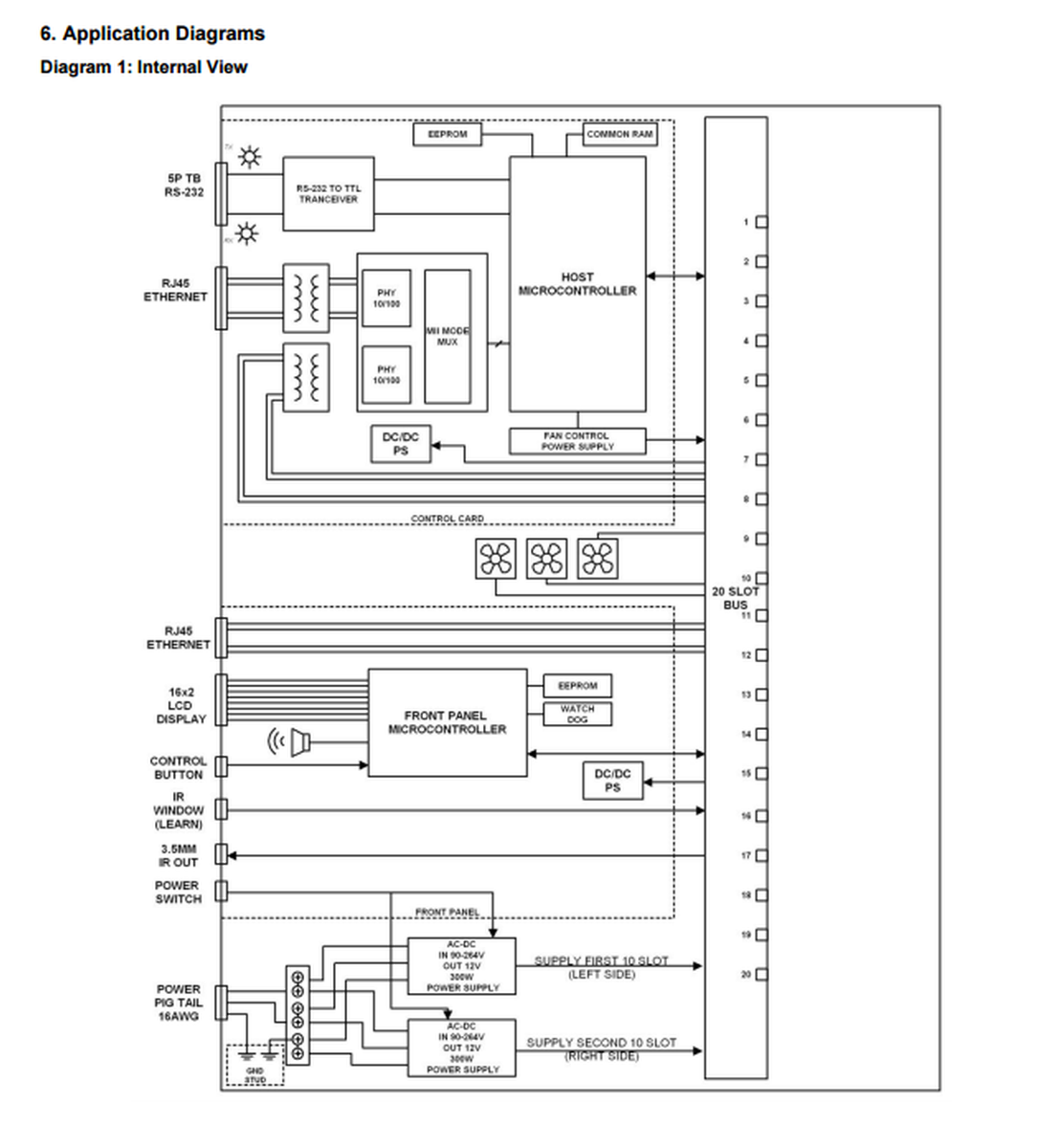
Altinex’s MT302-201 Digital Multitasker is a 4RU, rack-mountable chassis that offers AV system configuration options that are controllable using a network or wireless setup. Altinex designed this system as a foundation for advanced audio visual systems for today's rapidly growing sophisticated AV environments, and offers advanced AV system configuration capabilities that are controllable using network or wireless setup. This device supports up to 20 Digital MultiTasker cards and has 2 Ethernet ports, an IR receiver/IR blaster and an LCD front panel. Control of the Multitasker is via a computer, control system or any device capable of establishing a standard TCP socket to the MT302-201’s IP address. The Digital MultiTasker is controlled using TCP/IP commands or via a web-based interface. The front panel’s LCD displays essential information about the system and the cards installed, including the IP address of the MultiTasker on the network. The MultiTasker uses an ASCII-based command set to control the individual cards installed inside the enclosure. Individual cards are referenced using their slot number as a unique identifier.
The Multitasker includes an internal webserver which can be used to find out information about the Multitasker system and the cards installed. You can view card models, see their functional description, and view their slot IDs. Additionally system statistics are also available, and allows users to view system "on" time, card and system power consumption, internal temperatures etc..
The front panel displays the current IP address of the enclosure. Press the button to cycle through all the cards installed in the enclosure. This provides the card ID and model of each card to make identification possible without establishing a network connection. This unit also provides power up defaults, which at power up or soft reset, all cards are initialized to their saved configuration states. Saved configurations include input to output connections, on/off settings, volume levels, relay positions, etc. In the event the cards have not been previously configured, they will initialize to their factory defaults.
The Altinex MT302-201 comes as a blank/empty enclosure which allows users the flexibility and options to outfit this device with up to 20 different (purchased separately) Multitasker cards. These cards can perform a wide range of functions depending on your needs to enable a virtually unlimited exapandability and control of AV system with unlimited capacity.
The Multitasker Card options that are available to be used with the MT302-201 include:
- MT322-105: 1-In, 3-Out Multitasker Power Distribution w/ Current Sense
- MT322-107: 1-In, 3-Out Power Distribution w/ Current Sense (International)
- MT310-104: 16 x 16 Stereo Audio Matrix Switcher (TB In/Out)
- MT305-804: 8 x 4 HDMI Matrix Switcher
- MT315-101: HDMI over Any Wire, Tx Card
- MT315-102: HDMI over Any Wire, Rx Card
- MT317-101: HDMI over Fiber Optic, Tx Card
- MT317-102: HDMI over Fiber Optic, Rx Card
- MT312-104: Control Card
- MT399-105: Package of 5 PC. Black Multitasker Card Slot Blanks
Specifications
- Available Slots: 20
- TCP/IP control
- LCD display
- On/Off button
- IR receiver/IR blaster
- Ethernet control (2 ports)
- Included Hardware: Terminal Block Connector for RS-232, Cable Ties, Power Cord
- Included Accessories: Mounting "ears" with accessories, Package of 5 pcs blank MT card
- Dimensions (WxDxH): 17.4 x 12.9 x 6.9"
- Rack Size: 4U high, full rack wide
- Warranty: Lifetime
Reviews
Write a Review
Accessories




